Skip to content
Toll Free No:
1-888-754-6329
Head Office:
8-445 Midwest Rd. Scarborough ON, M1P 4Y9, CANADA
Email:
info@pelmareng.com
Toggle Navigation
Products
Cabinet Coolers
Vortex Enclosure Coolers
Air Conditioners
Heat Exchangers
Industrial Solutions
Filtration
Control Valves
Air Valves
Coolers & Amplifiers
Shop
Manufacturers
ITW VORTEC
NOREN
ICE QUBE
AMIAD
PELMAR
IFC
FIL-TREK
BERMAD
A.R.I.
About
Contact
Blog
REQUEST A QUOTE
Inquire About Product
B300TSB2
General Information
Technical Information
Design Features:
Strainers are equipped with threaded (NPT) or socket weld inlet/outlet connections.
Strainer body meets applicable ASME Standard.
IFC series B300 strainers equipped with bolted cover flanges that utilize a flat gasket seal.
IFC series B125 strainers equipped with a rotating cover that utilizes an O-Ring seal.
Strainer cover flanges are designed in accordance with ASME Section VIII, Div. 1 Appendix II and/or ASME B16.5.
Over-the-top flow design complete with machined basket seats eliminates the possibility of dirty fluid by-pass.
Standard basket construction is 304 SS perforated plate.
Recommended lower straining level is 40 microns.
N.P.T. drain connection furnished with plug.
Recommended for installation in horizontal pipelines.
Generous screen area and properly proportioned outer annulus minimize pressure drop while maximizing time between cleanings.
Notes:
See page 11 for details of available quick opening covers.
See page 19 for basket strainer effective areas.
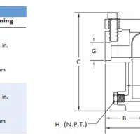
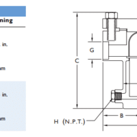
Size
(in / mm)
A
(in / mm)
B
(in / mm)
C
(in / mm)
D
(in / mm)
E
(in / mm)
F
(in / mm)
G
(in / mm)
H NPT
(in / mm)
Weight
(lb / kg)
Cover
Weight
(lb / kg)
Unit
1/2″ – 15
6.13″ – 156
3.06″ – 78
7.06″ – 179
4″ – 102
3.63″ – 92
5.75″ – 146
0.855″ – 21.72
3/8″ – 10
6 – 2.7
18 – 8.2
3/4″ – 20
6.75″ – 171
3.25″ – 83
8.38″ – 213
5″ – 127
3.63″ – 92
7.44″ – 189
1.065″ – 27.05
1/2″ – 15
8 – 3.6
24 – 10.9
1″ – 25
6.75″ – 171
3.25″ – 83
8.38″ – 213
5″ – 127
3.63″ – 92
7.44″ – 189
1.330″ – 33.78
1/2″ – 15
8 – 3.6
24 – 10.9
1 1/4″ – 32
8.13″ – 206
3.75″ – 95
11.88″ – 302
7.75″ – 197
4.25″ – 108
11.06″ – 281
1.675″ – 42.55
1/2″ – 15
12 – 5.4
43 – 19.5
1 1/2″ – 40
8.13″ – 206
3.75″ – 95
11.88″ – 302
7.75″ – 197
4.25″ – 108
11.06″ – 281
1.915″ – 48.64
3/4″ – 20
12 – 5.4
43 – 19.5
2″ – 50
9.00″ – 229
4.13″ – 105
12.38″ – 314
7.75″ – 197
5.25″ – 133
11.69″ – 297
2.406″ – 61.11
1 1/4″ – 32
16 – 7.3
50 – 26.3
Downloads
b300tsb2-tssb2.pdf
b300tsb2.pdf
basket-strainers-826002.pdf
basket-strainers.pdf
cast-basket-strainers.pdf
Want to Learn More?
Contact Us
Looking for
A Reliable &
Stable Partner?
Contact Us Today
Page load link
Go to Top